Ãâ·Ñ¶¨ÖƲúÆ·¼Æ»®¡¡Ô¤Ô¼ÊµµØ¿¼²ì
- ÏàʶÐèÇóÈ·¶¨¼Æ»®
- Ç©ÊðÌõÔ¼×¼ÆÚÉú²ú
- ÅäËÍ×°ÖÃÖ¸µ¼²Ù×÷
- Ãâ·ÑÅàѵºã¾ÃÊÛºó
135-2505-6999
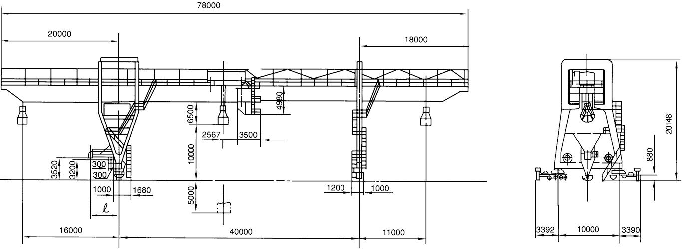
²úÆ·ÖÖ±ð£ºÃÅʽÆðÖØ»ú
Ó¦ÓùæÄ££º
ÏúÊÛЧÀÍ»ú¹¹
480Óà¼ÒÖÖÖÖ¼Ó¹¤×°±¸
1600Óą̀¸÷¼¶ÉùÓþ³Æºô
120ÓàÏîÌìÏÂ×ÉѯЧÀ͵绰
135-2505-6999


ʵÁ¦°ü¹Ü¡¡Äê²úÏú97000Óą̀
ÏÖÓÐÔ±¹¤3100ÈË£¬£¬£¬£¬£¬£¬£¬£¬Õ¼µØ68ÍòÓàÆ½·½Ã×£¬£¬£¬£¬£¬£¬£¬£¬ÓµÓÐ×ʲú12.8ÒÚÔª£¬£¬£¬£¬£¬£¬£¬£¬480Óà¼ÒÏúÊÛЧÀÍ»ú¹¹·øÉ亣ÄÚÍ⣬£¬£¬£¬£¬£¬£¬£¬ÖÖÖÖ¼Ó¹¤×°±¸1600Óą̀£¨Ì×£©Æ·Åưü¹Ü¡¡ÖØ»úлḱÀíʳ¤µ¥Î»
ÒÑ»ñ²¿¼¶¡¢Ê¡¼¶120ÓàÏîÉùÓþ³Æºô£¬£¬£¬£¬£¬£¬£¬£¬²úÆ·ÍÑÏúÌìÏÂ30¶à¸öÊ¡ÊÐ×ÔÖÎÇøÓë¾ü¹¤¡¢ºËµç¡¢º½ÌìµÈ¹úÆó¼¯ÍލÉèÁËÓÅÒìµÄÓªÒµ¹ØÏµÖÊÁ¿°ü¹Ü¡¡°ÙµÀÖʼ칤ÐòרÈËרְ
ÍêÉÆµÄÖÊÁ¿ÏµÍ³¡¢ÑÏ¿áµÄÖÎÀíÖÆ¶È£¬£¬£¬£¬£¬£¬£¬£¬ÒÑͨ¹ýGB/T19001/ISO9001ÖÊÁ¿ÖÎÀíϵͳ£¬£¬£¬£¬£¬£¬£¬£¬GB/T24001/ISO14001ÇéÐÎÖÎÀíϵͳµÈЧÀͰü¹Ü¡¡ÊÛºó24Сʱ¿ìËÙÏìÓ¦
ƾ֤ÌõÔ¼ÒªÇóΪÊÛ³öµÄ×°±¸¾ÙÐÐ×°Öᢵ÷ÊÔºÍÅàѵÂò·½ÊÖÒÕÖ°Ô±£¬£¬£¬£¬£¬£¬£¬£¬7*24Сʱרְ¿Í·þ¿ìËÙÏìӦЧÀÍ£¬£¬£¬£¬£¬£¬£¬£¬¿ìËÙ½â¾öʹÓÃÄÑÌâÃâ·Ñ¶¨ÖƲúÆ·¼Æ»®¡¡Ô¤Ô¼ÊµµØ¿¼²ì
רעΪ¿Í»§ÌṩÆð֨װ±¸ÕûÌå½â¾ö¼Æ»®
רעΪ¿Í»§ÌṩÆð֨װ±¸ÕûÌå½â¾ö¼Æ»®
01
ÏàʶÐèÇó02
È·¶¨ÐèÇó03
Ç©ÊðÌõÔ¼04
×¼ÆÚÉú²ú05
ÅäËÍ×°ÖÃ01
ÊÛºóЧÀÍ
ÌìÏÂͳһЧÀÍÈÈÏߣº
135-2505-6999
ɨһɨ
¹Ø×¢ÎÒÃÇ
ÌìÏÂÃâ·ÑЧÀÍÈÈÏß
135-2505-6999