Ãâ·Ñ¶¨ÖƲúÆ·¼Æ»®¡¡Ô¤Ô¼ÊµµØ¿¼²ì
- ÏàʶÐèÇóÈ·¶¨¼Æ»®
- Ç©ÊðÌõÔ¼×¼ÆÚÉú²ú
- ÅäËÍ×°ÖÃÖ¸µ¼²Ù×÷
- Ãâ·ÑÅàѵºã¾ÃÊÛºó
135-2505-6999
²úÆ·Öֱ𣺵¥ÁºÆðÖØ»ú
Ó¦ÓùæÄ££º
ÏúÊÛЧÀÍ»ú¹¹
480Óà¼ÒÖÖÖÖ¼Ó¹¤×°±¸
1600Óą̀¸÷¼¶ÉùÓþ³Æºô
120ÓàÏîÌìÏÂ×ÉѯЧÀ͵绰
135-2505-6999
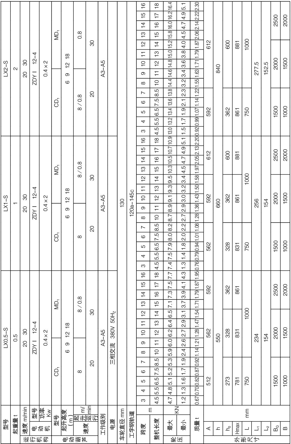
¡¡¡¡±¾»úÊÊÓÃÓÚ¹¤³§¡¢¿ÍÕ»ÐÞ½¨Îï¹ìÃæµ½ÎݼÜÏÂÏҸ߶ȡÜ500mmµÄ³¡ºÏ¡£¡£¡£¡£¡£Ð¡³µ½ÓÄÉÅäÌ׵綯ºù«¡£¡£¡£¡£¡£½á¹¹ÎÞа£¬£¬£¬£¬£¬£¬ÔËÐÐÇå¾²¿É¿¿¡£¡£¡£¡£¡£Èç¿ç¶ÈÓÐÌØÊâÒªÇ󣬣¬£¬£¬£¬£¬ÎÒ¹«Ë¾¿É·Ç±êÉè¼ÆÖÆÔì¡£¡£¡£¡£¡£
¡¡¡¡This crane is applicable in factories and warehouses where the height from the rail surface to the lower edge of the truss is equal to or shorter than 500mm£®The trolley is equipped with a specific electric hoist that features flexible structure and reliable and safe operation£®If clients have special requirements on the span£¬£¬£¬£¬£¬£¬our company is able to carry out design and production of non-standard equipment£®
¡¡¡¡×¢£º1£®ÆðÖØ»úÖÊÁ¿°üÀ¨µç¶¯ºù«ÖÊÁ¿¡£¡£¡£¡£¡£
¡¡¡¡2£®´óÂÖѹ¡¢Ð¡ÂÖѹָһ×é³µÂÖÂÖѹ¡£¡£¡£¡£¡£
¡¡¡¡3£®Ò»×éÂÖѹΪËĸö³µÂÖ£¬£¬£¬£¬£¬£¬Ò»¸ö³µÂÖÂÖѹΪһ×é³µÂÖÂÖѹËÄ·ÖÖ®Ò»¡£¡£¡£¡£¡£
¡¡¡¡4£®Gn=2t 3m¡ÜS¡Ü7.5m Gn=1t S¡Ü12m Gn=0.5t S¡Ü16mÆäÖ÷Òª½á¹¹Îª¹¤×Ö¸Ö£¬£¬£¬£¬£¬£¬²Û¸Ö×éºÏÐÍʽ.



ʵÁ¦°ü¹Ü¡¡Äê²úÏú97000Óą̀
ÏÖÓÐÔ±¹¤3100ÈË£¬£¬£¬£¬£¬£¬Õ¼µØ68ÍòÓàÆ½·½Ã×£¬£¬£¬£¬£¬£¬ÓµÓÐ×ʲú12.8ÒÚÔª£¬£¬£¬£¬£¬£¬480Óà¼ÒÏúÊÛЧÀÍ»ú¹¹·øÉ亣ÄÚÍ⣬£¬£¬£¬£¬£¬ÖÖÖÖ¼Ó¹¤×°±¸1600Óą̀£¨Ì×£©Æ·Åưü¹Ü¡¡ÖØ»úлḱÀíʳ¤µ¥Î»
ÒÑ»ñ²¿¼¶¡¢Ê¡¼¶120ÓàÏîÉùÓþ³Æºô£¬£¬£¬£¬£¬£¬²úÆ·ÍÑÏúÌìÏÂ30¶à¸öÊ¡ÊÐ×ÔÖÎÇøÓë¾ü¹¤¡¢ºËµç¡¢º½ÌìµÈ¹úÆó¼¯ÍލÉèÁËÓÅÒìµÄÓªÒµ¹ØÏµÖÊÁ¿°ü¹Ü¡¡°ÙµÀÖʼ칤ÐòרÈËרְ
ÍêÉÆµÄÖÊÁ¿ÏµÍ³¡¢ÑÏ¿áµÄÖÎÀíÖÆ¶È£¬£¬£¬£¬£¬£¬ÒÑͨ¹ýGB/T19001/ISO9001ÖÊÁ¿ÖÎÀíϵͳ£¬£¬£¬£¬£¬£¬GB/T24001/ISO14001ÇéÐÎÖÎÀíϵͳµÈЧÀͰü¹Ü¡¡ÊÛºó24Сʱ¿ìËÙÏìÓ¦
ƾ֤ÌõÔ¼ÒªÇóΪÊÛ³öµÄ×°±¸¾ÙÐÐ×°Öᢵ÷ÊÔºÍÅàѵÂò·½ÊÖÒÕÖ°Ô±£¬£¬£¬£¬£¬£¬7*24Сʱרְ¿Í·þ¿ìËÙÏìӦЧÀÍ£¬£¬£¬£¬£¬£¬¿ìËÙ½â¾öʹÓÃÄÑÌâÃâ·Ñ¶¨ÖƲúÆ·¼Æ»®¡¡Ô¤Ô¼ÊµµØ¿¼²ì
רעΪ¿Í»§ÌṩÆð֨װ±¸ÕûÌå½â¾ö¼Æ»®
רעΪ¿Í»§ÌṩÆð֨װ±¸ÕûÌå½â¾ö¼Æ»®
01
ÏàʶÐèÇó02
È·¶¨ÐèÇó03
Ç©ÊðÌõÔ¼04
×¼ÆÚÉú²ú05
ÅäËÍ×°ÖÃ01
ÊÛºóЧÀÍ
ÌìÏÂͳһЧÀÍÈÈÏߣº
135-2505-6999
ɨһɨ
¹Ø×¢ÎÒÃÇ
ÌìÏÂÃâ·ÑЧÀÍÈÈÏß
135-2505-6999